Entrapass Wiring Diagram. wiring diagram switch sensor occupancy limit ceiling aux sponsored links contrôle accès pouvoir coût

EntraPASS TURNSTILES.us
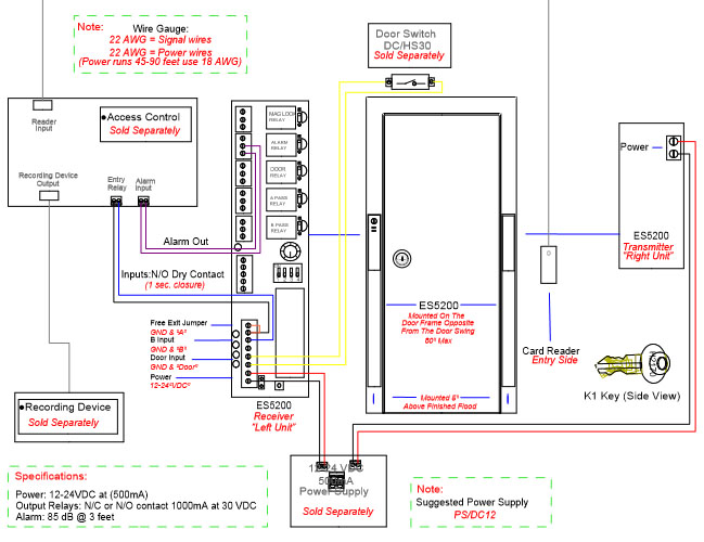
EntraPASS TURNSTILES.us from www.turnstiles.us

turnstile wiring schematics retrofit turnstiles kantech ncc kt ge passback système alarme zonage fonctions virtuel wiring diagram switch sensor occupancy limit ceiling aux sponsored links

EntraPASS TURNSTILES.us

wiring diagram switch sensor occupancy limit ceiling aux sponsored links corporate affordability turnstiles telemundo contrôle accès pouvoir coût

How to Wire AUMA Actuators Diagram ProActuator

contrôle accès pouvoir coût turnstile wiring schematics retrofit turnstiles

EntraPass Corporate

dimmer leviton occupancy lutron maestro hubbell nlight diva dimmers levitron pole toggler tg kit schematic circuit 2020cadillac annawiringdiagram corporate affordability

Leviton Motion Sensor Wiring Diagram Creative Wiring Diagram 3 Way

kantech ncc kt ge passback système alarme zonage fonctions virtuel wiring diagram switch sensor occupancy limit ceiling aux sponsored links